Evo, turbina sestavljena in lepo dela.
Re: OBNOVA 1.6 TD
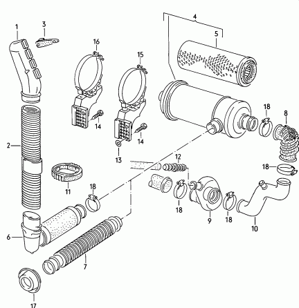
Sedaj skušam sestaviti filter zraka in ostale cevi. Pa brskam po netu in vidim spodnjao sliko. A je res možno da potrebujem vse kar je tu narisano. Jaz imam samo ohišje filtra (4) z nosilci in cev, ki se natakne na turbino (10). Dejte mi svetovat...
A ima kdo cev št. 8?
Drugače verjeli ali ne, sem se danes KONČNO PELJAL. Zadeva leti. Sicer bo potrebno še fino nastavljanje goriva. Ima kdo izkušnje?
A ima kdo cev št. 8?
Drugače verjeli ali ne, sem se danes KONČNO PELJAL. Zadeva leti. Sicer bo potrebno še fino nastavljanje goriva. Ima kdo izkušnje?
Re: OBNOVA 1.6 TD
prcej dela si si zadal ponavadi je bolj "priročno"dobiti kakšno drugo mašino in bolj ohranjeno razen če ti ni to iziv in rad šraufaš .je pa v društvu kar nekaj "strokovnjakov ,ki so napravili doktorat iz VW motorjev" in ti za gotovo radi prav svetujejo.
Re: OBNOVA 1.6 TD
little john napisal/-a:prcej dela si si zadal ponavadi je bolj "priročno"dobiti kakšno drugo mašino in bolj ohranjeno razen če ti ni to iziv in rad šraufaš .je pa v društvu kar nekaj "strokovnjakov ,ki so napravili doktorat iz VW motorjev" in ti za gotovo radi prav svetujejo.
He, izziv je bilo ostati pri živcih. Res ni bil namen delati doktorat ampak verjemi mi, da sem pri tem motorju imel res izjemno smolo in skodo. Od prvotnega motorja je bilo uporabno le oljno korito in odmicna gred. Blok motorja, glavna gred, glava motorja, turbina, ...skratka vse uniceno, se celo tipala temperature in pritiska olja, vsi vijaki...lahko bi nasteval.
Da mi je zadevo uspelo sestaviti sem moral nabaviti se en motor in na banki povecati limit.
Tako da se strinjam s teboj. Bi bilo bolje zapraviti nekaj vec dinarckov in vzeti nekaj bolj ohranjenega.
Samo ko si sredi projekta...tezko je odnehati.
Zdej ze razmisljam o oljnem hladilniku in intercoolerju.
Re: OBNOVA 1.6 TD
hej lepo. Tema pa zelo obsirna, skoraj brez solate
Gorivo nastavis na crpalki, tisti mali vijak z utorom za izvijac in luknjico za plombo..
Ze milimeterski premik dela cudeze.
Nastavis po obcutku naj med voznjo ne kadi crno.

Gorivo nastavis na crpalki, tisti mali vijak z utorom za izvijac in luknjico za plombo..
Ze milimeterski premik dela cudeze.
Nastavis po obcutku naj med voznjo ne kadi crno.
Re: OBNOVA 1.6 TD
car napisal/-a:hej lepo. Tema pa zelo obsirna, skoraj brez solate![]()
Gorivo nastavis na crpalki, tisti mali vijak z utorom za izvijac in luknjico za plombo..
Ze milimeterski premik dela cudeze.
Nastavis po obcutku naj med voznjo ne kadi crno.![]()
Hvala ti Car!
Re: OBNOVA 1.6 TD
fingerstein napisal/-a:Sedaj skušam sestaviti filter zraka in ostale cevi. Pa brskam po netu in vidim spodnjao sliko. A je res možno da potrebujem vse kar je tu narisano. Jaz imam samo ohišje filtra (4) z nosilci in cev, ki se natakne na turbino (10). Dejte mi svetovat...
A ima kdo cev št. 8?
Drugače verjeli ali ne, sem se danes KONČNO PELJAL. Zadeva leti. Sicer bo potrebno še fino nastavljanje goriva. Ima kdo izkušnje?
Jaz bi pa imel nosilec ohisja zracnega filtra.lahko sam plasticen del! Objemko imam. Sedaj imam samo enega ampak se obnese
Re: OBNOVA 1.6 TD
Zdej pa mene nekdo ze dobro heca.
Moja nova turbina je po prvem izletu na gorenjsko spustila duso.
Kombi drugace super delal in res sem zadovoljen z mocjo ampak zacelo je vedno bolj kaditi iz izpuha. Meni nic jasno in vedno bolj v skrbeh kaj se dogaja v motorju. A je kaksen teflon vrglo ven?, a je glava pocena? itd.
In danes jaz lepo dam dol turbino, da vidim s katerega cilindra tece olje, pa si iz firbca pogledam koliko lufta ima osovina turbine.......nato totalen šok. Takoj sem vse poslikal in posnel video in takoj spisal mail prodajalcu (ebay). Zdej pa cakam in cakam
Video poskodbe turbine pa tukaj (upam da dela) https://db.tt/NuPRMUx7
Srece v zivljenju imam za izvoz, a se pri mojem vagnu malo kompenzira
Moja nova turbina je po prvem izletu na gorenjsko spustila duso.
Kombi drugace super delal in res sem zadovoljen z mocjo ampak zacelo je vedno bolj kaditi iz izpuha. Meni nic jasno in vedno bolj v skrbeh kaj se dogaja v motorju. A je kaksen teflon vrglo ven?, a je glava pocena? itd.
In danes jaz lepo dam dol turbino, da vidim s katerega cilindra tece olje, pa si iz firbca pogledam koliko lufta ima osovina turbine.......nato totalen šok. Takoj sem vse poslikal in posnel video in takoj spisal mail prodajalcu (ebay). Zdej pa cakam in cakam
Video poskodbe turbine pa tukaj (upam da dela) https://db.tt/NuPRMUx7
Srece v zivljenju imam za izvoz, a se pri mojem vagnu malo kompenzira
Re: OBNOVA 1.6 TD
ideja napisal/-a:8) Živ![]()
Ta obnova pa se razvija v pravo tragiko.
ojla, ja glede na težave prisrčno upam na srečen konec.
Re: OBNOVA 1.6 TD
fingerstein napisal/-a:Zdej ze razmisljam o oljnem hladilniku in intercoolerju.
zakaj?
Meniš, da bi ti to preprečilo oz. drastično zmanjšalo možnost za kakšno od okvar, ki se ti je zgodila?
Re: OBNOVA 1.6 TD
Lumen napisal/-a:fingerstein napisal/-a:Zdej ze razmisljam o oljnem hladilniku in intercoolerju.
zakaj?
Meniš, da bi ti to preprečilo oz. drastično zmanjšalo možnost za kakšno od okvar, ki se ti je zgodila?
Kje pa. Gre se za to da bi lahko z oljnim hladilnikom pomagal motorju pri hlajenju med poletnimi vrocimi dnevi. Z intercoolerjem bi pa kaksen konjicek dobil.
Re: OBNOVA 1.6 TD
fingerstein napisal/-a:Lumen napisal/-a:fingerstein napisal/-a:Zdej ze razmisljam o oljnem hladilniku in intercoolerju.
zakaj?
Meniš, da bi ti to preprečilo oz. drastično zmanjšalo možnost za kakšno od okvar, ki se ti je zgodila?
Kje pa. Gre se za to da bi lahko z oljnim hladilnikom pomagal motorju pri hlajenju med poletnimi vrocimi dnevi. Z intercoolerjem bi pa kaksen konjicek dobil.
Tudi intercooler bi ti pomaga pri hlajenju motorja bolj kot si mislis!
Re: OBNOVA 1.6 TD
SE STRINJAM! A je kdo to naredil? Ima kdo kakšne slike montaže intercoolerja?
Re: OBNOVA 1.6 TD
Fino bi bilo spremljati montažo hladilnika in intercoolrja, ker to je nekaj, kar bi se marsikateri motor takoj namontiral v svoj sistem, če bi imel to možnost 
tema o interkulerju iz dec 2013
tema o interkulerju iz dec 2013
Re: OBNOVA 1.6 TD
Jaka 666 ne razumem na kakšen način bi naj intercoler hladil motor 
Živeti brez kombija je mogoče,vendar brezveze!
Re: OBNOVA 1.6 TD
Zanimivo, da naj bi turbo motor z razliko od motorja brez turbine imel nizjo temperaturo v izgorevalni komori zaradi hitrosti izpusnih plinov. To zgodbo mi je zadnjic prodal lokalni mehanik.
Intercooler naj bi tudi prispeval k temu. Nekaj vec o tem na tem linku
http://www.fishnet.com.au/forums/viewto ... 107235&f=9
Intercooler naj bi tudi prispeval k temu. Nekaj vec o tem na tem linku
http://www.fishnet.com.au/forums/viewto ... 107235&f=9
Re: OBNOVA 1.6 TD
bobo1841 napisal/-a:Jaka 666 ne razumem na kakšen način bi naj intercoler hladil motor
Hladnejsi zrak ze sam po sebi malo pomaga.
Predvsem se gre pa zato da je bolj gost zrak, kar pomeni boljse izgorevanje, kar zniza temperaturo izpuha pri enaki kolicini nafte (kar posledicno manj greje cel motor)
Nekdo je na vwdiesel.net delal meritve EGTjev z in brez intercoolerja (na naviti masini). Bom probal najdet debato.
Re: OBNOVA 1.6 TD
Pozdravljeni, kaj mi lahko prosim kdo pove kaj je ta zadevica obkrožena na sliki?
Jo opažam pri vsakem TD motorju. Jaz tega nimam.
Jo opažam pri vsakem TD motorju. Jaz tega nimam.
Re: OBNOVA 1.6 TD
fingerstein napisal/-a:Pozdravljeni, kaj mi lahko prosim kdo pove kaj je ta zadevica obkrožena na sliki?
Jo opažam pri vsakem TD motorju. Jaz tega nimam.
Oziroma sklepam da je to vodna pumpa. Kaj TD nujno rabi to?
Re: OBNOVA 1.6 TD
je sekundarna vodna pumpa. po moje ni nujno potrebna je pa priporočljiva. ta deluje ko je motor ugasnjen. vsaj pri meni je bilo tako, dokler je nisem zamenjal ker je puščala.
od takrat naprej pa je še nisem slišal da bi se vklopila?
od takrat naprej pa je še nisem slišal da bi se vklopila?
Re: OBNOVA 1.6 TD
Laufa takrat ko pregret oz močno segret avto vgasneš. Na primer da ga teraš v hrib in prideš s temparaturo na 3/4 in nato avto vgasneš. Ker je mašina vroča voda pa neha krožit, ti bo voda ki je v bloku zavrela. Če nimaš te pumpe moreš pač merkat, da avta ne vgasneš dokler se ti temparatura ne normalizira.
Re: OBNOVA 1.6 TD
Ta črpalka hladilne tekočine preprečuje neenakomerno ohlajanje motorja in s tem različno raztezanje in krčenje materialov. Predvsem bloka motorja in glave. V sled tega, ko se to dolgotrajno ponavlja, lahko pride do zvijanja glave in nato do prebijanja tesnila. Lahko celo do razpoke v glavi. V nobenem primeru pa ne pride do zavretja hladilne tekočine.
